Smart Highside Power Switch For Industrial Applications

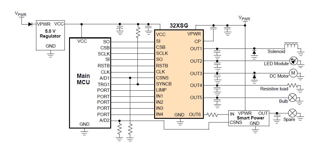
32xsg 32 V Smart High Side Power Switch Nxp

32xsg 32 V Smart High Side Power Switch Nxp

Bts50025 1tea Smart High Side Power Switch Infineon Technologies Mouser

Bts50025 1tea Smart High Side Power Switch Infineon Technologies Mouser

10pcs Bsp742t 742t Sop8 Smart Power High Side Switch Amazon Com Industrial Scientific

10pcs Bsp742t 742t Sop8 Smart Power High Side Switch Amazon Com Industrial Scientific

Iso8200aq Isolated High Side Smart Power Switch With Spi For Factory Automation Power Power Electronics Switch

Iso8200aq Isolated High Side Smart Power Switch With Spi For Factory Automation Power Power Electronics Switch

Sruik Tool 5 Pcs Bts442e2 To 263 Smart Highside Power Switch Ic Amazon Com Industrial Scientific

Sruik Tool 5 Pcs Bts442e2 To 263 Smart Highside Power Switch Ic Amazon Com Industrial Scientific

Bts730 Smart High Side Power Switch Ic Amazon Com Industrial Scientific

Bts730 Smart High Side Power Switch Ic Amazon Com Industrial Scientific

Bts730 Smart High Side Power Switch Ic Amazon Com Industrial Scientific

The profet family of devices is also capable of protecting against dynamic overvoltage such as load dump and inductive load turn off.

Smart highside power switch for industrial applications.

The galvanic isolated octal high side smart power switch enhances diagnostics and system management by providing a 20 mhz spi port allowing both per channel over temperature signalization and efficient daisy chaining of multiple devices. Due to their outstanding energy robustness they are perfectly suitable for switching even higher inductive loads and driving relays. Smart high side power switch for industrial applications one channel. Application µc compatible power switch with diagnostic feedback for 12 v and 24 v dc grounded loads in industrial applications all types of resistive inductive and capacitive loads.

The highly integrated profet family protected fet incorporates a broad range of smart features like diagnose and protection. This presentation describes freescale s high side switch portfolio and roadmap device features considerations for their use potential applications and available design and support tools. Protect and diagnose your automotive and industrial applications against conditions like short to ground and open load. A power good output indicates the status of the process side power supply.

Profet intelligent power high side switches consist of a dmos power transistor and cmos logic circuitry for complete built in protection. µc compatible power switch for 12 v and 24 v dc industrial applications replaces electromechanical relays and discrete circuits general description n channel vertical power fet with charge pump ground referenced cmos compatible input monolithically integrated in smart sipmos technology. The vast range of smart features makes profet high side switches ideal for a variety of automotive and industrial applications. The well established high side switch industrial profet products were designed for targeting a variety of industrial applications which include all types of resistive inductive and capacitive loads.

Providing embedded protective functions. Infineon technologies bts50025 1tad smart high side power switch is designed to drive high current loads up to 60a. The high current loads are ideal for automotive applications such as switched battery couplings power distribution switches heaters and glow plugs. The device enlarges st s family of galvanic isolated high side switches.

Smart sense high side power switch for industrial applications features.

5pcs 100 New And Orginal Its428l2 I428l2 To 252 Smart High Side Power Switch For Industrial Applications In Stock Aliexpress

5pcs 100 New And Orginal Its428l2 I428l2 To 252 Smart High Side Power Switch For Industrial Applications In Stock Aliexpress

Every Time A Power Mosfet Is Switched On Or Off In A Switched Mode Power Supply Parasitic Inductances Cause Ground Shifts This Can L Mosfet Igbt Switc

Every Time A Power Mosfet Is Switched On Or Off In A Switched Mode Power Supply Parasitic Inductances Cause Ground Shifts This Can L Mosfet Igbt Switc

1pcs Bts307 Encapsulation To 263 Smart Highside Power Switch Overload Ebay

1pcs Bts307 Encapsulation To 263 Smart Highside Power Switch Overload Ebay

Profet 12v Automotive Smart High Side Switch Infineon Technologies

Profet 12v Automotive Smart High Side Switch Infineon Technologies

Bts7004 1epp Profet Smart High Side Power Switch Infineon Technologies Mouser

Bts7004 1epp Profet Smart High Side Power Switch Infineon Technologies Mouser

1pcs Bts620 Bts620l1 To 220 Smart Highside Power Switch Infineon Ebay

1pcs Bts620 Bts620l1 To 220 Smart Highside Power Switch Infineon Ebay

Profet Smart High Side Switches Infineon Technologies Mouser

Profet Smart High Side Switches Infineon Technologies Mouser

1pcs Bts426 Bts426l1 Smart Highside Power Switch To 220 Other Integrated Circuits Business Industrial Sidra Hospital

1pcs Bts426 Bts426l1 Smart Highside Power Switch To 220 Other Integrated Circuits Business Industrial Sidra Hospital

Stmicroelectronics Self Protected Smart Power Switches For Functional Safety Applications Onelectrontech

Stmicroelectronics Self Protected Smart Power Switches For Functional Safety Applications Onelectrontech

Logic Controlled High Side Power Switch Nxp

Logic Controlled High Side Power Switch Nxp

An Oil Immersed Power Transformer Is Installed In A Power Distribution System Electrical Transformers Transformers Electric Power Distribution

An Oil Immersed Power Transformer Is Installed In A Power Distribution System Electrical Transformers Transformers Electric Power Distribution

Power 24v High Side Its42k5d Ld F Typical Application Tsc Infineon Designer

Power 24v High Side Its42k5d Ld F Typical Application Tsc Infineon Designer

Btt6030 1era Infineon Technologies

Btt6030 1era Infineon Technologies

1 Pcs Bts711l1 Sop 20 Smart Four Channel Highside Power Switch Soic20 Other Integrated Circuits Business Industrial Sidra Hospital

1 Pcs Bts711l1 Sop 20 Smart Four Channel Highside Power Switch Soic20 Other Integrated Circuits Business Industrial Sidra Hospital

High Side Switches Infineon Technologies

High Side Switches Infineon Technologies

Classic Profet 12v Automotive Smart High Side Switch Infineon Technologies

Classic Profet 12v Automotive Smart High Side Switch Infineon Technologies

China Electrical Transformer Are The Ideal Choice For Commercial Industrial And Utility Applications Electrical Transformers Voltage Regulator Power Plant

China Electrical Transformer Are The Ideal Choice For Commercial Industrial And Utility Applications Electrical Transformers Voltage Regulator Power Plant

Phoenix Contact S Din Rail Quint4 Power Supplies Now Shipping From Mouser Elektrotehnika

Phoenix Contact S Din Rail Quint4 Power Supplies Now Shipping From Mouser Elektrotehnika

Pin By Dimitrij On Dan Arduino Lins Being Used

Pin By Dimitrij On Dan Arduino Lins Being Used

1pcs Bts432f2 To 220 5 Smart Highside Power Switch

1pcs Bts432f2 To 220 5 Smart Highside Power Switch

Logic Controlled High Side Power Switch Nxp

Logic Controlled High Side Power Switch Nxp

5pcs Bts5120 2e Bts5120 2eka Sop Smart High Side Power Switch Other Integrated Circuits Business Industrial Sidra Hospital

5pcs Bts5120 2e Bts5120 2eka Sop Smart High Side Power Switch Other Integrated Circuits Business Industrial Sidra Hospital

2 5 10pcs Bts428 Bts428l2 428l2 To 252 Smd Smart Highside Power Switch Other Integrated Circuits Business Industrial Sidra Hospital

2 5 10pcs Bts428 Bts428l2 428l2 To 252 Smd Smart Highside Power Switch Other Integrated Circuits Business Industrial Sidra Hospital

Pin On Factory Assembly

Pin On Factory Assembly

5 Pcs Bts426l1 To 220 5 Bts426 Smart Highside Power Switch

5 Pcs Bts426l1 To 220 5 Bts426 Smart Highside Power Switch

1pcs Bts432f2 To 220 5 Smart Highside Power Switch Other Electronic Components Business Industrial Sidra Hospital

1pcs Bts432f2 To 220 5 Smart Highside Power Switch Other Electronic Components Business Industrial Sidra Hospital

Bts5215l Typical Application Reference Design Power Switch Arrow Com

Bts5215l Typical Application Reference Design Power Switch Arrow Com

Renesas Electronics And Stradvision Collaborate On Smart Camera Development For Next Generation Adas Smart Camera Technology Solutions Advanced Driver Assistance Systems

Renesas Electronics And Stradvision Collaborate On Smart Camera Development For Next Generation Adas Smart Camera Technology Solutions Advanced Driver Assistance Systems

Bts443p Smart Highside Power Switch To252 Business Industrial Other Integrated Circuits Alberdi Com Mx

Bts443p Smart Highside Power Switch To252 Business Industrial Other Integrated Circuits Alberdi Com Mx

High Side Switches Whitepaper Infineon Technologies

High Side Switches Whitepaper Infineon Technologies

Power Transformer Protection Relaying Overcurrent Restricted Earth Fault Differential Locker Storage Storage Protection

Power Transformer Protection Relaying Overcurrent Restricted Earth Fault Differential Locker Storage Storage Protection

Bsp752r Typical Application Reference Design Power Switch Arrow Com

Bsp752r Typical Application Reference Design Power Switch Arrow Com

Pin On Electro

Pin On Electro

Add Short Circuit Protection Diagnostics To Automotive High Side Low Side Driver Electronic Design

Add Short Circuit Protection Diagnostics To Automotive High Side Low Side Driver Electronic Design

Bus1djc0gwz Ultra Small High Side Load Switch Rohm Mouser

Bus1djc0gwz Ultra Small High Side Load Switch Rohm Mouser

Pin On Hvac Parts

Pin On Hvac Parts

Mc34063 Boost Converter Circuit Converter Electronics Circuit Electronic Engineering

Mc34063 Boost Converter Circuit Converter Electronics Circuit Electronic Engineering

Details About Model Led Cable 4v 5v 6v 3528 Smd Resistor White Blue Red Green Yellow 0 1 8in In 2020 Red Green Yellow Red Green Blue Light Bulb

Details About Model Led Cable 4v 5v 6v 3528 Smd Resistor White Blue Red Green Yellow 0 1 8in In 2020 Red Green Yellow Red Green Blue Light Bulb

Bts7004 1epp Profet Smart High Side Power Switch Infineon Technologies Mouser

Bts7004 1epp Profet Smart High Side Power Switch Infineon Technologies Mouser

Max14916 Compact Industrial Octal 1a Quad 2a High Side Switch With Diagnostics Maxim Integrated

Max14916 Compact Industrial Octal 1a Quad 2a High Side Switch With Diagnostics Maxim Integrated

Profet Grade0 Infineon Technologies

Profet Grade0 Infineon Technologies

Push Button On Off Soft Latch Circuits Battery Powered Touch Toggle On Off Switch Momentary Button Mosfet Power Switch For Microcontrollers

Push Button On Off Soft Latch Circuits Battery Powered Touch Toggle On Off Switch Momentary Button Mosfet Power Switch For Microcontrollers

How To Choose Between High Side And Low Side Switching Elektor Magazine

How To Choose Between High Side And Low Side Switching Elektor Magazine

High Side Switch For Motors And Lamps Power Electronics

High Side Switch For Motors And Lamps Power Electronics

Source : pinterest.com